ОТОПИТЕЛЬ ВОЗДУШНЫЙ
ПЛАНАР-2D-24-S
В 2014 году разработана и запущена в производство новая модель воздушного отопителя Планар 2Д, не имеющая аналогов российского производства. В отопителе применены собственные запатентованные разработки камеры сгорания, новые технологии управления запуском и свеча накаливания японского производства.

По габаритным размерам Планар 2 сопоставим с отопителями импортного производства, также подходит по штатным местам крепления для замены отопителей других марок, в случае их дорогостоящего ремонта. Планар 2 выпускается в двух вариантах 12 и 24 вольта. Монтажный комплект включенный в состав упаковки включает все самое необходимое и позволяет установить отопитель почти на любое автотранспортное средство.
Характеристики
Запчасти
сб 290
Бак топливный БТ7-Ш (7,5 л)
Наименование
Артикул
сб 2581
Блок управления 24 В (2Д)
сб 2593
Вентилятор
сб 2706
Воздуховод ( Ф 60 х t 150 C) 5 метров
сб 2552
Воздухозаборник с глушителем
д 859
Втулка
д. 2659
Втулка для свечи
д 2905
Втулка для экрана камеры сгорания (необходимо заказать 3 шт)
сб 3535
Глушитель (монтажный комплект)
сб 2582
Датчик температуры
сб 1693
Жгут питания 24 в
сб 2578
Камера сгорания
д 2648
Кожух верхний
д 2647
Кожух нижний
сб 2704
Комплект ремонтный для Планар 2Д (прокладки д. 2655, д 2656, д. 1070, втулка д. 2822, шайба д. 2660, изолятор д. 2661)
сб 2645
Модем GSM CINTERION (Планар 2, 14 ТС МИНИ)
сб 2579
Нагнетатель воздуха 24 в
сб 2759
Пластины монтажные ( 2 пластины 3 мм и шпильки )
сб 3600
Пульт управления универсальный ПУ-27 (OLED)
сб 2665
Пульт управления цифровой 12/24 в
д 2649
Решетка
сб 869
Сетка
сб 162
Теплоизоляция (300 мм)
сб 2739

Теплоизоляция (450 мм)
сб 162
Теплоизоляция (для металлорукава)
д 4055
Теплообменник
сб 3650
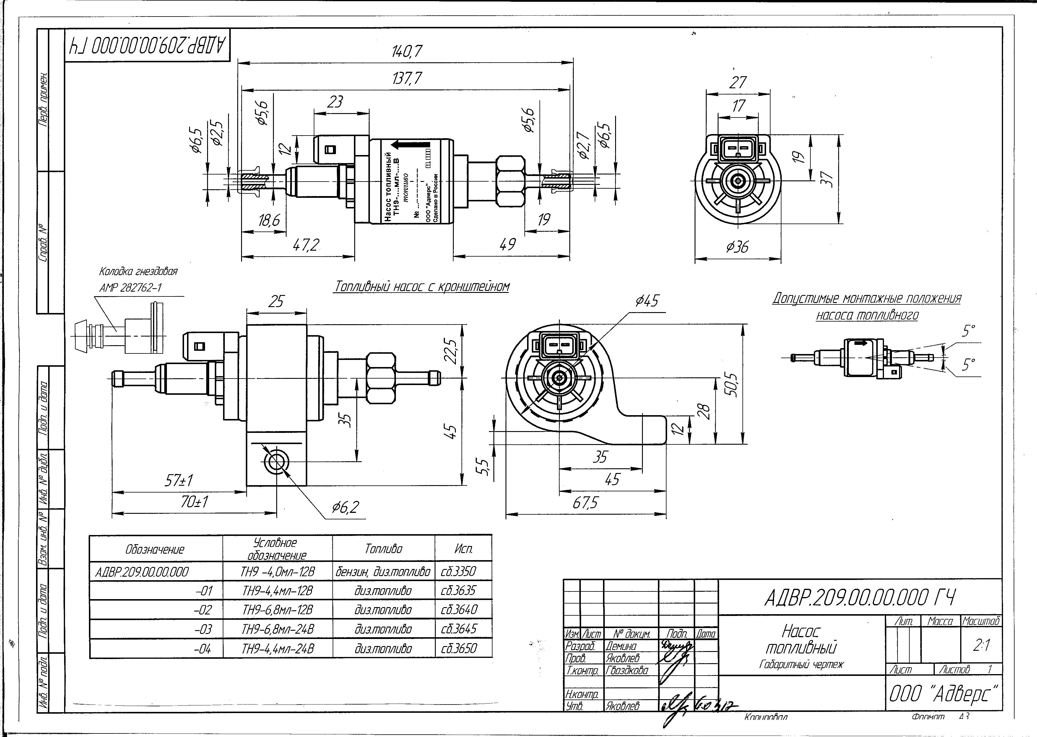
Топливный насос ТН-9 ( 4,4 мл - 24 в)
сб 2826-01
Тройник Т образный 90° 60*60*60
сб 29
Фильтр (сетка в топливный насос)
Хомут для топливного насоса (резиновый)
Экран камеры сгорания (необходимо заказать еще три втулки д. 2905)
сб 1467
д 2967
Подробности по телефону: +7 (4722) 40-20-58